全国免费服务热线:186 2630 4203

无锡市星火电器有限公司
生产电力半导体器件的专业厂家

您的位置: 首页 > 产品展示 > 继电器系列
推荐产品

咨询热线

186 2630 4203
1/1
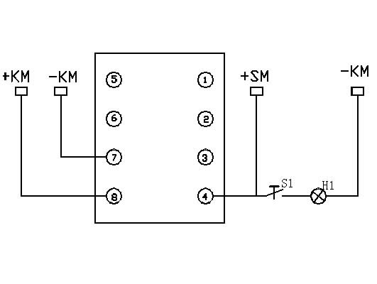
闪光继电器SGJ-3B
无锡市星火电器有限公司是生产电力半导体器件的专业厂家,主要生产晶闸管、整流管模块及相关组件,直流屏用2CWL系列降压硅链、DJ系列电压调节器、配套用整流变压器、高压试验变压器、各种电抗器等。
全国热线

0510-83551406

产品简介/ Product introduction

0ef4ab15098cb8aae62f790958a6f249_1-2011060T535W7.jpg

网站首页 关于我们 产品展示 解决方案 新闻动态 荣誉资质 联系我们

无锡市星火电器有限公司
生产电力半导体器件的专业厂家

186 2630 4203

服务热线

186 2630 4203

微信号